Beschreibung
Datenblatt: Download(PDF)Für weitere Informationen stehen wir Ihnen gerne zur Verfügung.
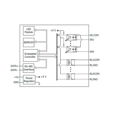
Das M-7065-G CR Modul unterstützt sowohl Modbus RTU als auch DCON Protokolle, welche mittels Software konfiguriert werden können. Es besteht die Möglichkeit Strom- und Sicherheitswerte zu konfigurieren.
4 kV ESD Schutz und 3750 V DC innermodulare Isolation sind genau so vorhanden wie Möglichkeiten für Geräuschschutz in industrieller Umgebung.
Technische Daten
Kommunikation
• Schnittstelle: RS485
Systemleistung
• Eingangsspannung: 10 ~ 30 VDC
Aufbau
• Einbaumöglichkeit: DIN-Rail
Relaisausgang
• Ausgangskanäle: 5
• Contact Rating: 5A @ 250VAC, 5A @ 30VDC
Digitaler Eingang
• Eingangskanäle: 4
• Spannungspegel: +4 ~ 30 VDC
Betriebsbedingungen
• Temperatur: -25 ~ +75°C



